Звездочка без ступицы под расточку для цепи: 10B-1, Z=16, 5/8" x 3/8" CS10016 (PHS 10B-1A16) ISKRA

Основные характеристики:
  • Артикул CS10016-ISKRA
  • Бренд ISKRA
  • Диаметр внутреннего отверстия d, мм 12
  • Диаметр ролика цепи, мм 10,16
  • Для цепи 10B-1
Товар будет готов к отгрузке в течение 7 рабочих дней
20.16 BYN шт
много

Оплата по счету
Самовывоз в г. Минск; Доставка по всей Беларуси
  • Артикул CS10016-ISKRA
  • Бренд ISKRA
  • Диаметр внутреннего отверстия d, мм 12
  • Диаметр ролика цепи, мм 10,16
  • Для цепи 10B-1
  • Посадка на вал под расточку
  • Размер цепи 5/8" x 3/8"
  • Шаг, мм 15,875
  • Внутренняя ширина звена цепи, мм 9,65
  • Количество рядов 1
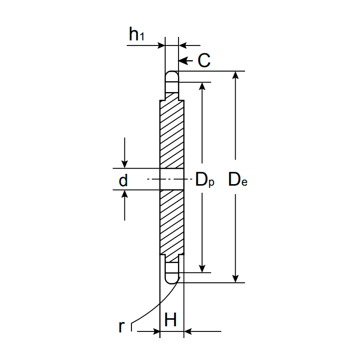
  • Радиус зуба звездочки r, мм 16
  • Количество зубьев Z 16
  • Ступица, да/нет нет
  • Ширина зуба h1, мм 9,1
  • Наружный диаметр звездочки De, мм 88
  • Диаметр делительной окружности Dp, мм 81,37
  • Ширина C, мм 1,6
  • Материал сталь C45E

Звездочка без ступицы под расточку для цепи: 10B-1, Z=16, 5/8" x 3/8" CS10016 (PHS 10B-1A16) ISKRA используется в цепной передаче с однорядной цепью 10B-1.
Упрощенная конструкция обеспечивает элементам большую степень прочности и надежности.
Применяется в промышленном, дорожном, строительном и сельскохозяйственном оборудовании.
Выполнена из стали С45Е.
Количество зубьев — 16.
Диаметр внутреннего отверстия равен 12 мм.
Наружный диаметр звездочки составляет 88 мм.

Ваша оценка

Уважаемые клиенты, ООО "ТЕХНОБЕРИНГ" предоставляет на реализуемый товар гарантию от 6 до 12 месяцев. В период действия гарантийного срока, замена некачественного товара осуществляется при выполнении следующих условий:

  • Дефекты появились по вине изготовителя;
  • Заказчиком были соблюдены правила хранения, транспортировки и эксплуатации товара, установленные изготовителем;
  • Составление Покупателем акта рекламации.

Подробнее о гарантии можете ознакомиться на странице Гарантия и возврат на нашем сайте.

С этим товаром покупают

Анонс
Цепь приводная роликовая однорядная B10B-1 ISKRA
28.24 BYN/м
Артикул B10B-1-ISKRA
Бренд ISKRA
Анонс
Цепь приводная роликовая однорядная 10B-1 ISKRA
181.35 BYN/м
В наличии: Много
Артикул 10B1-ISKRA
Бренд ISKRA
Анонс
Цепь приводная роликовая однорядная из нерж. стали 10B-1SS ISKRA
704.10 BYN/м
В наличии: Много
Артикул 10B1SS-ISKRA
Бренд ISKRA
Нашли ошибку?
Выделите текст с ошибкой и нажмите ctrl+enter