Звездочка со ступицей под расточку для цепи 08B-2, z=11, 1/2" x 5/16" PD09011 (PHS 08B-2B11) ISKRA

Основные характеристики:
  • Артикул PD09011-ISKRA
  • Бренд ISKRA
  • Диаметр d, мм 32
  • Ширина зуба h2, мм 21
  • Диаметр ролика цепи, мм 8,51
Товар будет готов к отгрузке в течение 7 рабочих дней
24.71 BYN шт
много

Оплата по счету
Самовывоз в г. Минск; Доставка по всей Беларуси
  • Артикул PD09011-ISKRA
  • Бренд ISKRA
  • Диаметр d, мм 32
  • Ширина зуба h2, мм 21
  • Диаметр ролика цепи, мм 8,51
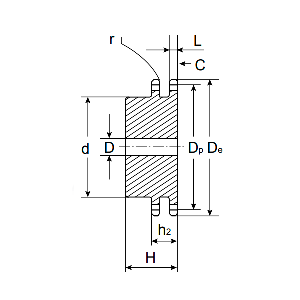
  • Для цепи 08B-2
  • Общая ширина H, мм 35
  • Посадка на вал под расточку
  • Размер цепи 1/2" x 5/16"
  • Шаг, мм 12,7
  • Внутренняя ширина звена цепи, мм 7,75
  • Количество рядов 2
  • Радиус зуба звездочки r, мм 13
  • Количество зубьев Z 11
  • Ступица, да/нет да
  • Ширина зуба L, мм 7
  • Наружный диаметр звездочки De, мм 48,7
  • Диаметр делительной окружности Dp, мм 45,07
  • Диаметр внутреннего отверстия D, мм 12
  • Ширина C, мм 1,3
  • Материал сталь C45E
<p><b>Звездочка со ступицей под расточку для цепи 08B-2, z=11, 1/2" x 5/16" PD09011 (PHS 08B-2B11) ISKRA</b> выполнена из <b>стали С45Е</b>. Используется в цепной передаче с двухрядной цепью <b>08B-2</b>. Обеспечивает плотную фиксацию всех частей движущего механизма между собой. Применяется в промышленных станках, спецтехнике и на различных производствах.
<br>Наружный диаметр звездочки равен <b>48,7 мм</b>.
<br>Количество зубьев — <b>11</b>.
<br>Диаметр внутреннего отверстия составляет <b>12 мм</b>.
<br>Является самым распространенным типом приводных звезд, подходящих для исполнения большинства задач. Имеет ступицу для доработки под посадку на вал или другую часть трансмиссии.</p>

Argument 'post ID' is null or empty

Ваша оценка

Уважаемые клиенты, ООО "ТЕХНОБЕРИНГ" предоставляет на реализуемый товар гарантию от 6 до 12 месяцев. В период действия гарантийного срока, замена некачественного товара осуществляется при выполнении следующих условий:

  • Дефекты появились по вине изготовителя;
  • Заказчиком были соблюдены правила хранения, транспортировки и эксплуатации товара, установленные изготовителем;
  • Составление Покупателем акта рекламации.

Подробнее о гарантии можете ознакомиться на странице Гарантия и возврат на нашем сайте.

С этим товаром покупают

Анонс
Цепь приводная роликовая двухрядная 08B-2 ISKRA
213.05 BYN/м
В наличии: Много
Артикул 08B2-ISKRA
Бренд ISKRA
Анонс
Цепь приводная роликовая двухрядная из нерж. стали 08B-2SS ISKRA
1 200.05 BYN/м
В наличии: Много
Артикул 08B2SS-ISKRA
Бренд ISKRA
Нашли ошибку?
Выделите текст с ошибкой и нажмите ctrl+enter